
ZKLDF120
Svoris: 4,81 kg
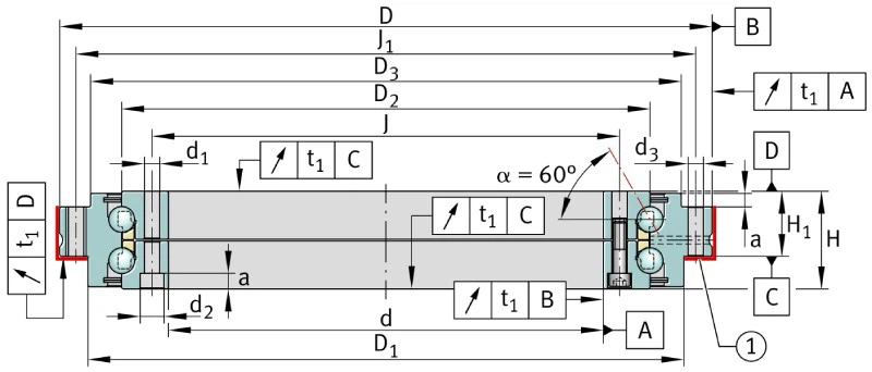
Ašinis kampinis kontaktinis rutulio guolis
WhatsApp: +8618753115023
E-Mial: info@bearingmotion.com
Produktų aprašymas
| d |
120 mm
|
| D |
210 mm
|
| H |
40 mm
|
| ng |
4, 300 1/min
|
| Ca |
76,000 N
|
| C0a |
315,000 N
|
| Cua |
11,500 N
|
| ≈m |
4,81 kg
|

Susijęs su produktu
Zkldf120 ašinis kampinis kontaktinis rutulio guolisyra specializuotas tikslumo komponentas, skirtas užtikrinti išskirtinį nelankstumą ir tikslumą, ypač pritaikant aukštus apvirtus momentus .. Šis guolio tipas yra dvigubos krypties kampinis kontaktinis traukos guolis Guoliai paprastai yra iš anksto įkrauti ir tiekiami kaip paruošti montuojami vienetai, supaprastinant montavimą ir užtikrinant optimalų našumą nuo pat pradžių .. Jų tvirtas dizainas daro juos tinkamus reikalaujančias sukamojo stalo ir indeksavimo galvutes, kur tiksli padėties nustatymas ir sklandus veikimas yra kritiški .}}}}}}}}}}}}}}}}}}}}}}}}}}}}.}}}}}}}}}}}}}}}}}}}}}}}}}}}}}}}}}}}}}}}}}}}}}}}}}}}}}}}}}}}}}}}.
PagrindinisZKLDF120Gavimas slypi jo sugebėjime palaikyti dideles ašines ir radialines apkrovas, taip pat reikšmingus pakreipimo momentus, išlaikant puikų tvirtumą . Tai pasiekiama per unikalią vidinę geometriją, kuri pasižymi dideliu kontaktiniu kampu ir aukšto rutulio komplemente.. Įrankiai . Be to, šie guoliai dažnai tiekiami su integruotais sandarikliais, užtikrinančiais apsaugą nuo teršalų ir išlaikant tepimą, taip pratęsdami aptarnavimo tarnavimo laiką ir sumažinant priežiūros reikalavimus . Jų optimizuotas vidinis dizainas taip pat padeda sumažinti trintį ir šilumos generavimą, net ir vidutinio sunkumo greičiu .}
Būdingas tikslumas ir didelisZkldf120 ašinis kampinis kontaktinis rutulio guolisPadarykite tai nepakeičiamu komponentu didelio tikslumo staklių ir kitų programų, kurioms reikalingas išskirtinis sukimosi tikslumas ., jo pagrindinis naudojimas yra rotacinėse lentelėse, indeksavimo galvutėse ir frezavimo galvutėse, kur tikslios kampinės padėties nustatymas ir didelė krovinių gabenimo galimybė yra svarbiausia {{3} indėlis į industvedą, nesudarant labai tvirtą ir stabilią vingį, o zkldf10 “yra tiesiogiai pritaikytos prie nustatymo, kad būtų galima tiesiogiai nustatyti, kad„ ZKLDF120 “yra tiesiogiai pritaikytos. Kokybė, sumažinta vibracija ir prailgintas įrankio tarnavimo laikas . Jos tvirta konstrukcija užtikrina patikimą ilgalaikį našumą, todėl padidėja veikimo efektyvumas ir sumažėja prastovas reikalaujančioje gamybos aplinkoje .

Transportas


Populiarus Žymos: „ZKLDF120“, „ZKLDF120“ tiekėjai
Tau taip pat gali patikti
Siųsti užklausą










